
0731-85228888 / 13297400000
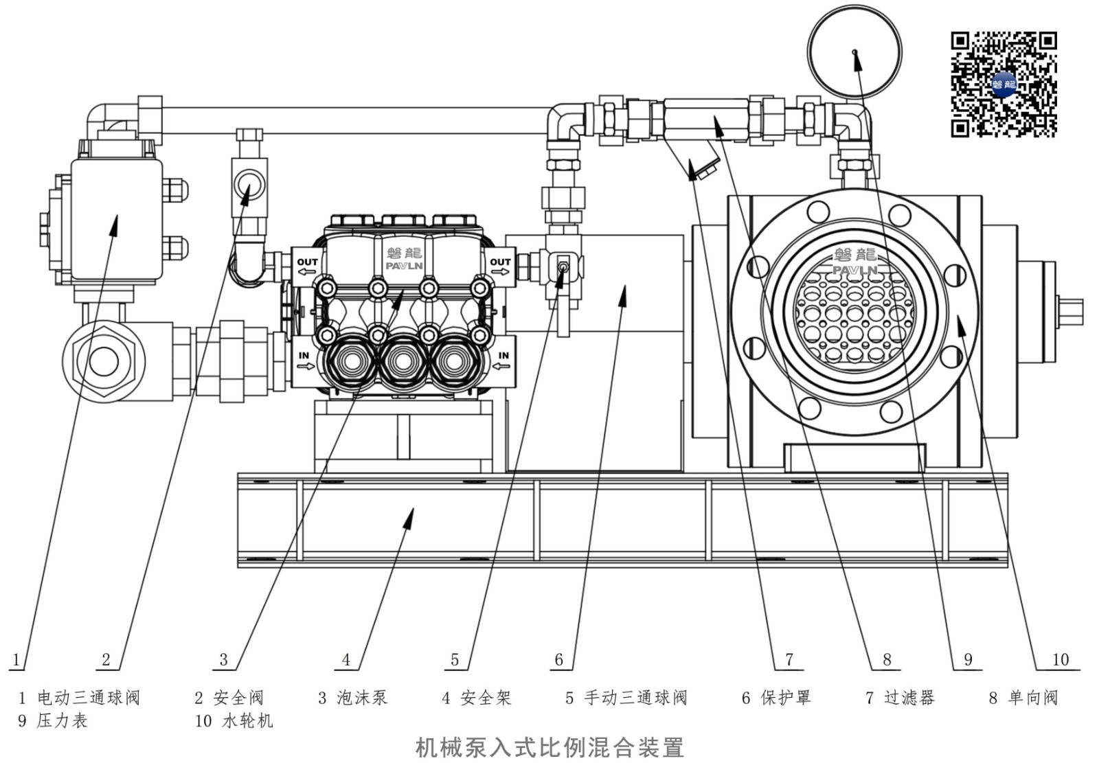
机械泵入式比例混合装置是一种以水力驱动、无需外部能源的泡沫比例混合设备,专用于泡沫灭火系统中泡沫液与水的精准比例混合。
当消防水流经装置时,内置水轮机被驱动旋转,通过联轴器带动泡沫液泵同步运行,将泡沫液从储罐中抽取并加压注入管道,实现稳定、连续、精准的比例混合。
该装置结构紧凑、响应迅速、混合精度高,广泛应用于固定泡沫灭火系统和泡沫喷雾系统,是国际工程中成熟可靠的泡沫供给解决方案。
无需外部动力,系统更可靠
采用纯水力驱动方式,无需电源或气源,适合对可靠性要求极高的消防系统。
比例稳定,适应宽流量范围
通过水轮机与泡沫液泵参数匹配设计,在大范围流量变化下仍可保持稳定混合比。
结构紧凑,占地面积小
一体化底座设计,便于运输、安装和维护,特别适合设备间和泵房空间受限场所。
响应速度快,实时供泡沫
随水流启动,无延迟供给泡沫液,确保灭火初期迅速形成有效泡沫。
工程成熟,全球项目适用
技术路线成熟,便于与国际主流泡沫系统及标准工程方案集成。
机械泵入式比例混合装置的工作流程如下:
消防系统启动,水流进入比例混合装置
水流驱动水轮机旋转
水轮机通过联轴器带动泡沫液泵运转
泡沫液泵从泡沫液储罐中抽取泡沫液
泡沫液被加压注入消防管道
泡沫液与水按设定比例混合,形成泡沫混合液
泡沫混合液输送至喷头或泡沫发生装置实施灭火
整个过程无需人工干预,实现自动比例混合与连续供给。

型号规格 | PHP25(3%)-PAVLN (机械泵入式) | PH40(3%)-PAVLN (机械泵入式) | PHP66(3%)-PAVLN (机械泵入式) |
工作压力(MPa) | 0.6~1.6 | 0.6~1.6 | 0.6~1.6 |
流量范围(L/s) | 3~25 | 4~40 | 6~66 |
灭火剂类型 | AFFF | AFFF | AFFF |
灭火剂混合比 | 3% | 3% | 3% |
水轮机公称通径 | DN100 | DN100 | DN150 |
水轮机进出口连接法兰 | DN100,PN16,凸面 | DN100,PN16,凸面 | DN150,PN16,凸面 |
泡沫液入口管道 | G1 1/2内螺纹 | G2内螺纹 | G2 1/2内螺纹 |
电动三通球阀电源 | DC24V,5A | DC24V,5A | DC24V,5A |
调试泄放管道 | G1/2内螺纹 | G1/2内螺纹 | G1/2内螺纹 |
安全阀泄放管道 | G1/2内螺纹 | G1/2内螺纹 | G1/2内螺纹 |
外形尺寸(mm) (长×宽×高) | 910×510×490 | 1015×640×530 | 1055×645×580 |
机械泵入式比例混合装置广泛适用于以下泡沫灭火系统:
泡沫喷雾灭火系统
固定式泡沫灭火系统
泡沫-水喷淋系统
油库与油罐区
石油化工装置区
燃油锅炉房
燃油发电机房
机场机库及维修区
尤其适合需要连续、稳定供泡沫的大流量消防场景。
您是否在寻求一种能够解决以下泡沫系统关键难题的专业解决方案?
• 泡沫比例稳定,确保每一次喷放效果一致
• 无需外部动力,避免电气或气源失效风险
• 结构紧凑,占地面积小,适应受限设备空间
• 运行可靠、维护简单,降低全生命周期成本
• 工程成熟,符合国际项目应用要求,全球广泛采用
机械泵入式比例混合装置为您提供 精准、稳定、高可靠性 的泡沫混合核心保障。
系统采用水力驱动原理,随水流自动启动,在宽流量范围内持续保持稳定混合比例,是泡沫喷雾系统、固定泡沫系统与泡沫-水系统的理想选择。
欢迎联系我们的专家团队,获取基于具体工况、流量需求及风险等级的定制化比例混合方案,并享受覆盖全球项目的技术支持与工程服务保障。
Copyright © 2002-2024 磐龙安全技术有限公司 版权所有 备案号: 湘ICP备10202298号 湘公网安备 43012402000493号