
A water mist fire extinguishing system uses water as the primary extinguishing medium and employs water mist nozzles that discharge fine water droplets under pressure to achieve fire extinguishment or fire control. It is an environmentally friendly system with high extinguishing efficiency and a wide range of applications.
According to the type of water mist nozzles used, water mist systems can be classified into open water mist systems and automatic (closed) water mist systems.
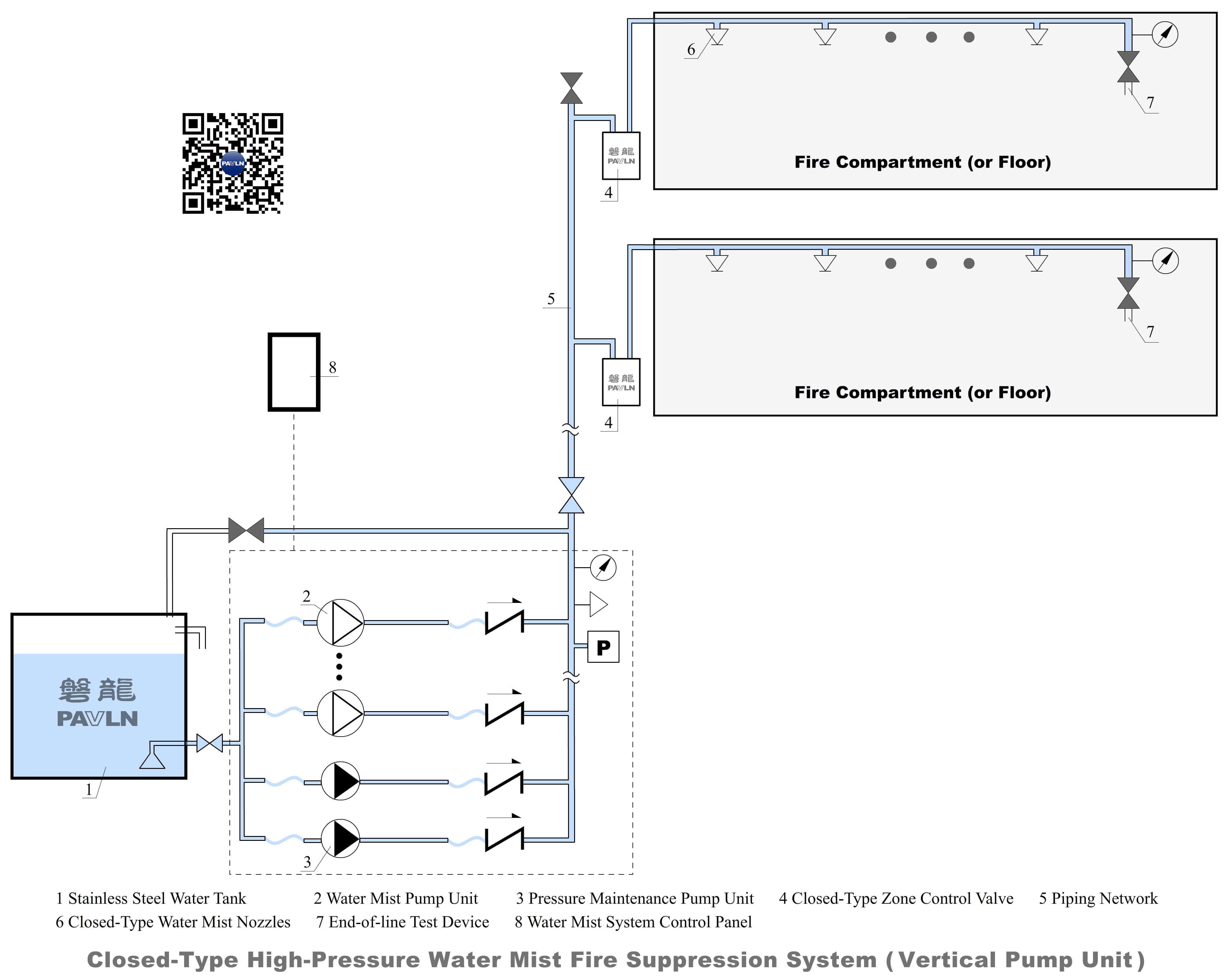
An automatic (closed) water mist system utilizes water mist nozzles sealed by a heat-sensitive element (such as a glass bulb or fusible-link assembly). When exposed to the heat generated by a fire, the liquid inside the glass bulb expands and causes the bulb to burst, thereby releasing the sealing mechanism. Pressurized water mist is then discharged from the system to provide fire suppression.
Precise Activation with Minimal Impact
Automatic (closed) nozzles operate independently based on heat activation, releasing water mist only in the area directly above the fire, avoiding unnecessary discharge throughout the entire space.
Significantly reduces disruption to equipment, documents, and operations in non-fire areas.
Fast Response and High Suppression Efficiency
The heat-sensitive element of the nozzle provides rapid response during the early stage of a fire.
High-pressure water mist forms a dense localized mist field, delivering powerful cooling and oxygen displacement to quickly suppress incipient fires.
Extremely Low Water Damage Risk
Localized discharge combined with ultra-fine droplets that evaporate rapidly results in minimal water usage and virtually no residual water damage.
Ideal for protecting high-value electronic equipment, precision instruments, and control cabinets.
System Economy and Maintainability
No extensive detection or zone control valve assemblies are required for each protected area, providing a more competitive initial investment.
Nozzle maintenance and replacement are similar to traditional sprinklers, simple and straightforward, ensuring high system reliability.
The distribution piping remains pressurized, facilitating leak monitoring during routine inspection.
Safety and Environmental Benefits
The extinguishing medium is pure water—non-toxic, harmless, and does not affect visibility or safe egress during discharge.
Contains no chemical additives, environmentally friendly, and requires extremely low water consumption.
The closed-type wet water mist system is primarily self-activating and does not rely on the Fire Alarm Control Panel (FACP). However, it can be manually activated remotely via the FACP and should provide status feedback to the panel.
When a fire occurs, the heat-sensitive elements in the nozzles rupture, initiating water mist discharge.
As the nozzle flow rate exceeds the flow rate of the pressure maintenance pump, the pump cannot maintain the piping network pressure, resulting in a continuous decrease in pressure.
When the pressure value consistently falls below the pressure maintenance pump activation threshold, the high-pressure pump is activated, and the pressure maintenance pump is simultaneously stopped.
Pressurized water is discharged through water mist nozzles to suppress the fire.

Rated Flow Rate(L/min) | 168 | 336 | 504 | 672 | 840 | 1008 | 1176 | 1344 | 1512 | |
Rated Working Pressure | 14MPa | |||||||||
Rated Flow per Pump Unit | 168L/min | |||||||||
Rated Motor Power per Pump Unit | 45kW | |||||||||
Power Supply | AC 380V,50 Hz | |||||||||
Activation Methods | Bulb Temperature Rating: 57 ℃ or 68 ℃ | |||||||||
Operating Ambient Temperature | 4~50℃ | |||||||||
Closed-type high-pressure water mist systems are particularly suitable for protecting areas with defined compartmentation, dense equipment layouts, or localized critical hazards:
Libraries and archival storage:
For localized protection of compact shelving and dense archival zones.
Hospital equipment rooms:
Supplemental fire protection for high-value medical equipment such as MRI units.
Cleanrooms and laboratories:
Protection of specific process equipment while avoiding area-wide contamination.
Office environments:
Office areas, corridors, anterooms, and similar occupied spaces.
In summary, for enclosed or semi-enclosed spaces where fire hazards are localized, rapid and precise response is required, and water damage or business interruption is unacceptable, a closed-type high-pressure water mist system is one of the optimal protection solutions.
Call to Action:
Are you looking for a fire protection solution that addresses the following challenges?
Precise fire suppression that avoids unnecessary system discharge in non-fire areas
Minimal water damage, aiming for “zero loss” protection of sensitive assets
Space-constrained environments that require compact system design
Simplified maintenance with high system reliability
Compliance with international standards and global acceptance
A Closed-Type High-Pressure Water Mist Fire Suppression System, provides precise, efficient, clean, and highly reliable fire protection.
Contact our international engineering team to obtain a customized design solution and global project support tailored to your specific risk profile!
Streamlined Steps to Obtain Your Custom Fire Protection Solution
Tel: +1 631 618 6068(US)
+86 132 9740 0000(China)
Email: pavln@pavln.com
Web: www.pavln.com
LinkedIn: PAVLN
Your full-cycle fire protection partner. We handle everything from concept and installation to long-term safety assurance.
Other fire suppression systems you might be interested in
Fill out the form below and our team will contact you shortly
Get a free design consultation with our expert engineers.